⚡ Descuentos en cursos en video - Lleva tu aprendizaje técnico al siguiente nivel y aprovecha precios especiales antes de que termine la oferta. 🔥 Aprovechar oferta ahora 🔥
GPS

Necesito conectar un gps a la pc

Erick Luis González Arias
hace 11 años
hace 11 años
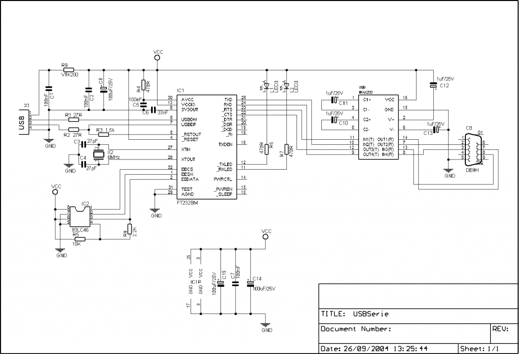
Necesito conectar un GPS a la pc a traves de una interfase con puerto RS232, pero la pc solo tiene puertos usb, necesito que alguién me diga como hacer en casa un cable adaptador USB a Puerto Serie y donde encontrar los driver para el VCOM
romer61
romer61
9.628
hace 11 años
hace 11 años
No es sólo "un cable" adaptadór, también lleva un circuito cón microprocesadór. Lo mejór es que te lo cómpres. Este es un ejemplo de adaptadór: [URL=http://s1273.photobucket.com/user/Romer61/media/usb-serie_zps62395c86.png.html][/URL]

¿Conoces una solución?

¡Aprende a reparar con estos cursos YoReparo!

¿Tienes una mejor respuesta a este tema? ¿Quieres hacerle una pregunta a nuestra comunidad y sus expertos?
Regístrate gratis