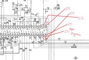
Señor fusco muchas gracias: mire por lo pronto ya me gane una torcida de cuello, por que miraba la matricula del integrado y no correspondia el diagrama con la board(físicamente)....usted puede observar, y como no habia arreglado una de estas de esta seccion pues no sabia que los pines vienen 3 lugares corridos hacia arriba en el valor numerico observe:
[URL=
http://img196.imagevenue.com/img.php?image=068967351_sony2122_122_422lo.JPG]
[/URL]
Ve? bueno el caso que que ya localice dichos filtros,mas no se si irlos a comprar por que marcan buenos pero, puede ser que ya no tengan "fuerza".
NO he medido voltajes para ver si es cuestion de bajar el valor resistivo de la resistencia del filamento. No estoy seguro si con eso se quitan lineas de retorno por haber subido el screenn pero en condiciones normales deberia de trabajar al imagen con el screen de fábrica (pot. del fly en posisición original)
Asi que los compro y los pongo o primero mido voltajes? atte Benjamin